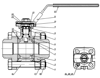
Válvula Esférica PN25 / 3pz / NPT / ACTUADOR / PTFE en AISI316
Dispositivo de control de flujo diseñado para aplicaciones industriales que requieren un mantenimiento sencillo y automatización. El cuerpo está dividido en tres secciones: un cuerpo central y dos extremos o tapas, estas tres partes se mantienen unidas mediante pernos y tuercas. Incluye una base o pletina superior que permite instalar directamente un actuador neumático o eléctrico.
| VLEF_BSP | 1/2- 14 x or 3/4- 14 x or 1"- 11.5 x or 1 1/4- 11.5 x or 1 1/2- 11.5 x or 2"- 11.5 x or 2 1/2- 8 x or 3"- 8 x or 4"- 8 x |
