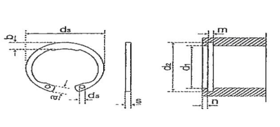
Anillos Seeger Interior Para Buje en AISI420
Envíos todo el País
Stock Permanente
Anillos Seeger Exterior Para Eje en AISI420
Anillos Seeger Exterior Para Eje en AISI420
Login to see price
DIN9334 - Tuerca Prolongador en AISI304
DIN9334 - Tuerca Prolongador en AISI304
Login to see price

Anillos Seeger Interior Para Buje en AISI420

https://tubulon.odoo.com/web/image/product.template/772/image_1920?unique=f499fef

Anillo de seguridad que se inserta en una ranura fresada en la pared interna del buje, sujetando piezas que van dentro del alojamiento.

Login to see price

No está disponible para venta

(USD 0,00 / Unidades)

  • AS_MM

Esta combinación no existe.


AS_MM M10 or M14 or M18 or M20 or M40 or M42 or M47